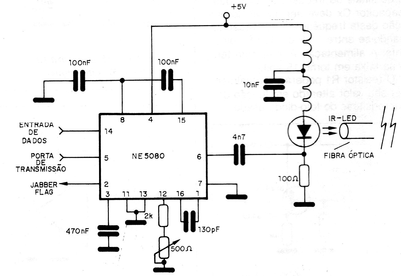
In the figure we have the transmitter of a data transmission system with optical fiber suggested by Philips Components, based on the integrated NE5081 at the reception. (the receiver is CB15959E) The values of the Components are given for a central frequency of 5 MHz, but this frequency can be increased up to 20 MHz. The circuit operates satisfactorily with signal levels below 10 mV in 5 MHz, so that the gain can be reduced at reception, as given in CIR8634. Philips components recommends special care with the layout of these circuits given their operation frequency.




