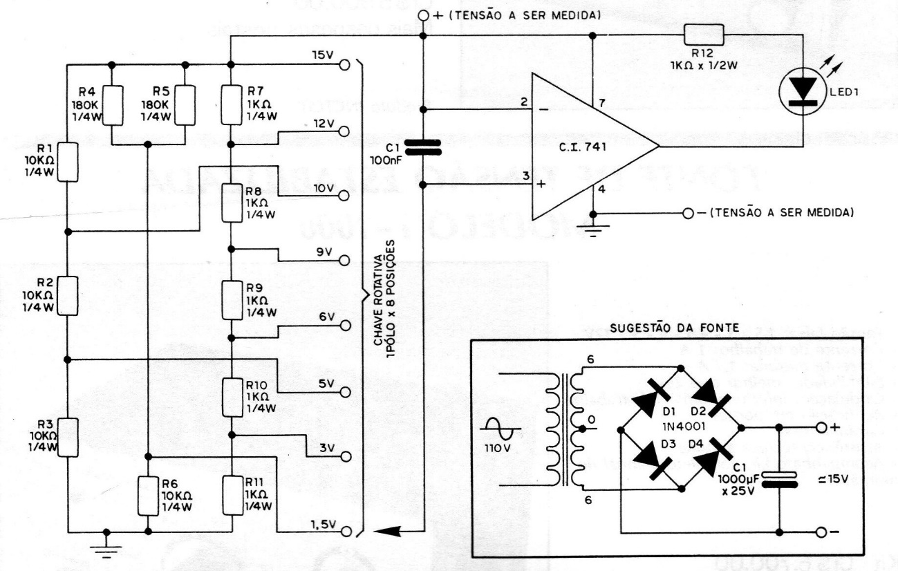
An integrated circuit 741 (operational amplifier is the basis of this voltage indicator, which can also be used as a simple “branch voltmeter". Integrated circuit 741 is connected as a voltage comparator, in such a way that we have the ignition of an indicator LED when the voltage applied to its input exceeds a certain value. The value of the voltage that causes the LED to light up is determined by the reference divider grid with resistors, the most common of which were chosen for bench work: 1.5 - 3 - 5 - 6 - 9 - 10 - 12 e15 V for a supply voltage of 15 V. You can use this circuit as an indicator for various devices, when then the LED will light up when the voltage rises above a certain pre-set value.




