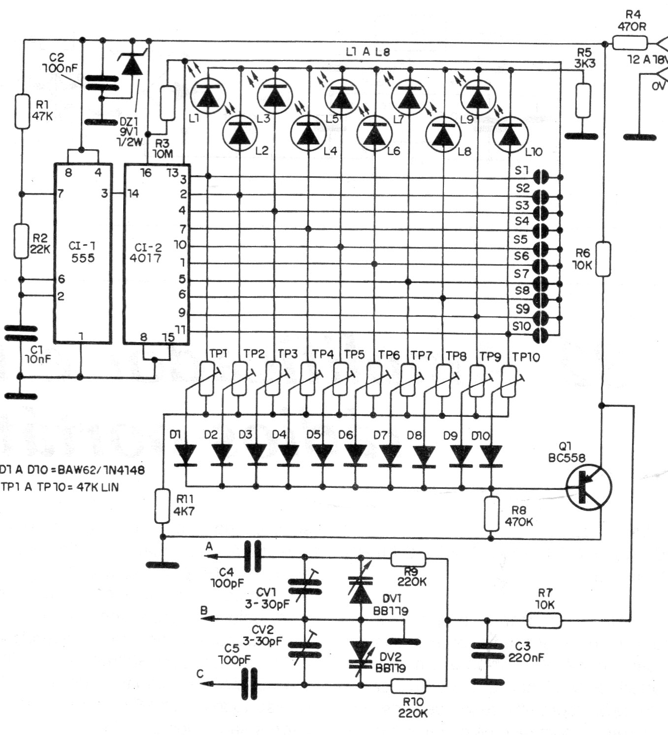
Originally designed for use in an FM receiver, this 1990 circuit can be adapted for other types of high frequency circuits such as oscillators and receivers. The circuit performs touch tuning with 10 options whose frequencies are selected in trimpots.




