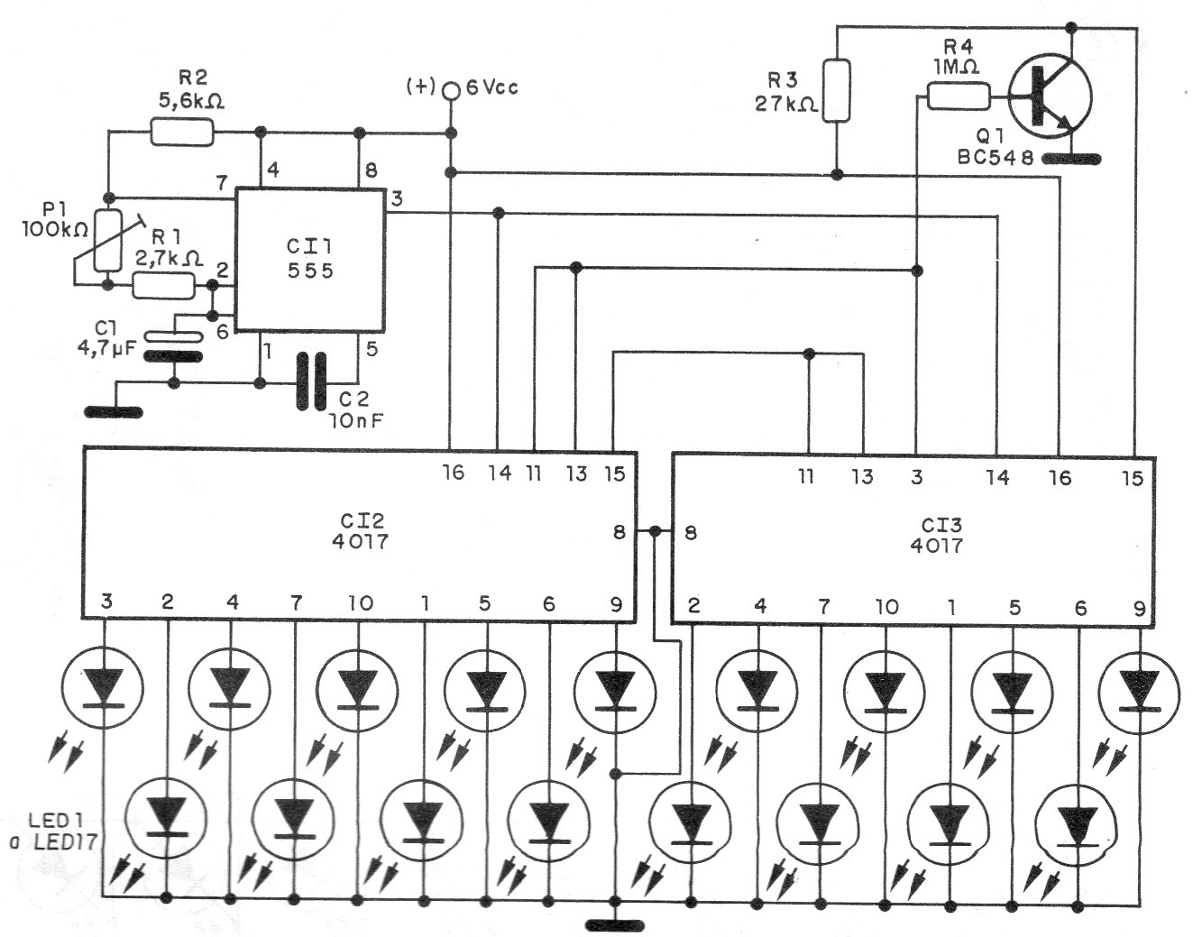
We found this conventional circuit with 4017 and 555 in a 1995 documentation. It controls 17 LEDs that run at a speed that can be adjusted in P1. The circuit is powered by 6 V. With 9 or 12 V, it is recommended to connect a 1k or 470 ohms resistor in series with the set of LEDs.




