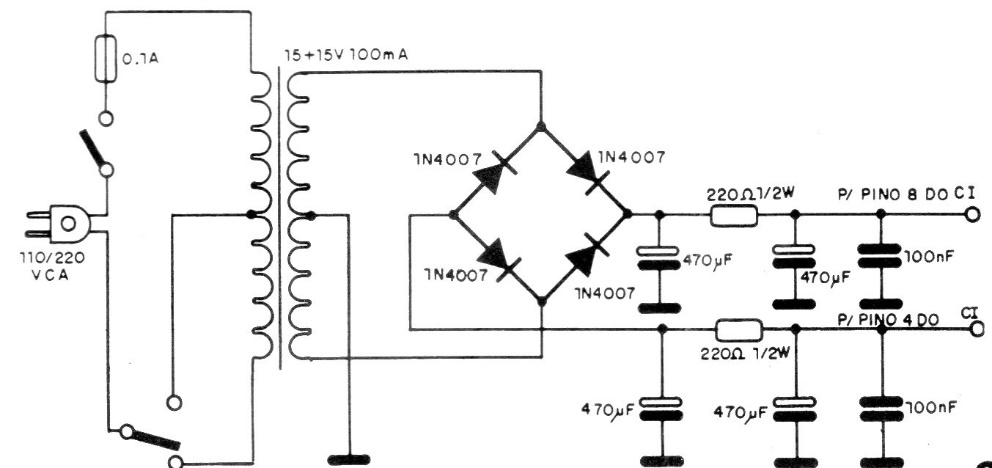
This power supply was originally created for the CB16760E (Loudness System) but can be used in any other application where power is required for operational amplifiers. The source is not stabilized and has no protection against short circuits.
This power supply was originally created for the CB16760E (Loudness System) but can be used in any other application where power is required for operational amplifiers. The source is not stabilized and has no protection against short circuits.