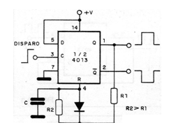
The possibility of using the 4013 in the monostable configuration added to the input sensitivity of the CMOS circuits allows us to develop sensitive touch switches, as shown in the figure.

The possibility of using the 4013 in the monostable configuration added to the input sensitivity of the CMOS circuits allows us to develop sensitive touch switches, as shown in the figure.
