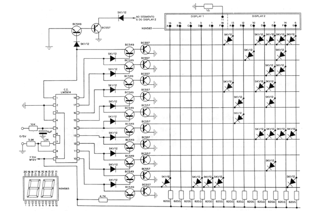
Based on an integrated LM3914 Bargraph circuit. this design causes voltage variations between 0 and 5V at the input, to be projected with values between 0 and 10 on a double display. The author of the project also suggests the use of a single display, in which case the mark would be from 0 to 9. In this case, the FND500 could be used in this function. The complete circuit of the display is shown in the figure. Of course, other ranges of input voltages can be used to excite this circuit, either with the use of dividing networks, if the range is larger, or with the help of an operational amplifier, if the range is of lower voltages. The practical applications for this circuit are many, especially measuring instruments, such as thermometers, voltmeters, frequency meters, etc.




