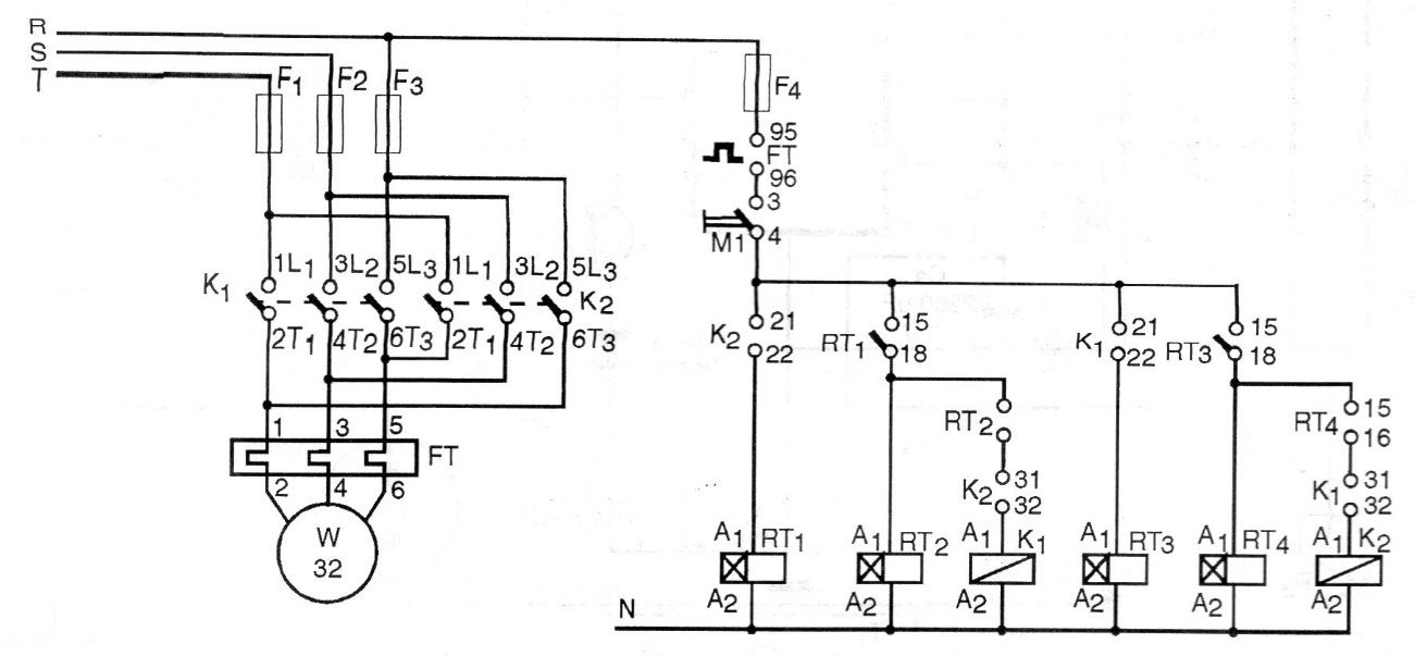
We found this circuit in a 1997 documentation. It is possible to automatically reverse the direction of rotation of a three-phase motor. The circuit uses WEG timers and contactors.
This circuit triggers a relay when the phone rings. An application is like remote doorbell. The circuit...
This circuit uses a resonant reed switch at the trigger frequency. The circuit is from General...
This circuit was obtained from the Texas Instruments component datasheet which can supply currents of...