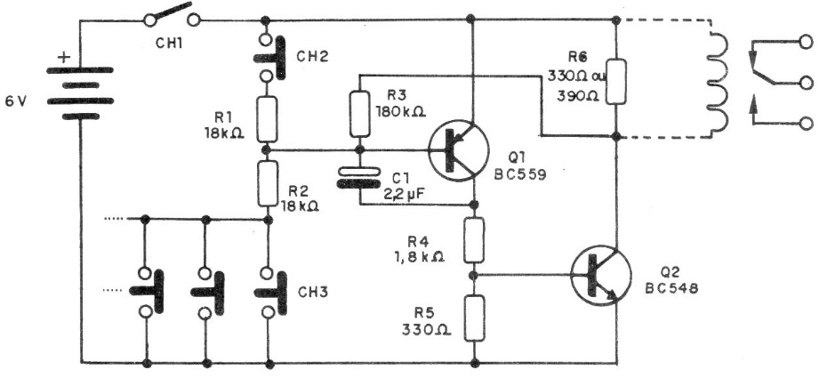
This circuit controls a relay in a bistable way by touching the sensors type NF (CH3) and NO (CH2). The circuit can be used for alarms or device controls. The supply can be 6 or 12 V depending on the relay used.
This circuit controls a relay in a bistable way by touching the sensors type NF (CH3) and NO (CH2). The circuit can be used for alarms or device controls. The supply can be 6 or 12 V depending on the relay used.