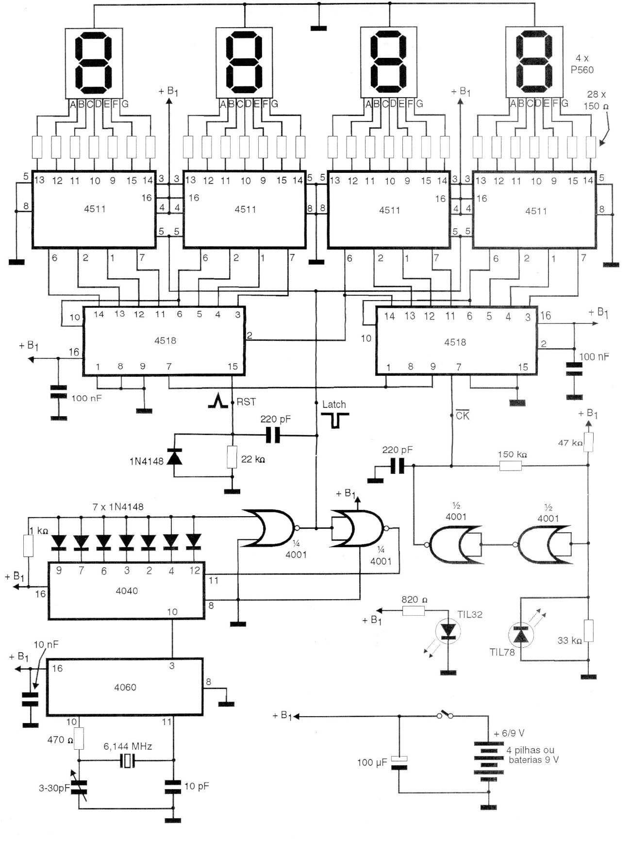
This 4-digit counter, using CMOS technology, was found in a 1997 documentation. The circuit is very accurate, being powered by 4 batteries or 6 V source. The displays are of common cathode and the input must be formed by perfectly rectangular pulses.




