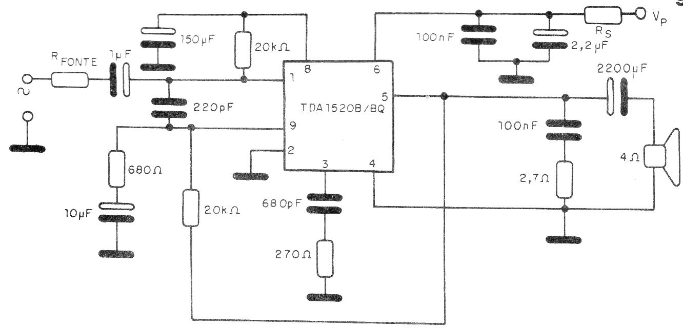
This powerful amplifier was part of commercial sound circuits from the 90s. The integrated circuit must be equipped with a heat sink and the supply must be made with voltages from 15 to 33 V. The input sensitivity is 290 mV, and the quiescent current is 60 mA.




