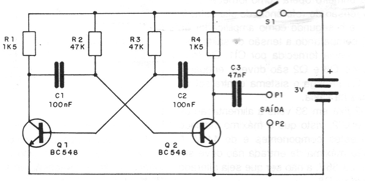
This astable multivibrator oscillates at a frequency of 1 kHz given by the capacitors and the base resistors. The signal is rectangular and powered by two small batteries. With the change of capacitors, the circuit can operate at other frequencies.
This astable multivibrator oscillates at a frequency of 1 kHz given by the capacitors and the base resistors. The signal is rectangular and powered by two small batteries. With the change of capacitors, the circuit can operate at other frequencies.