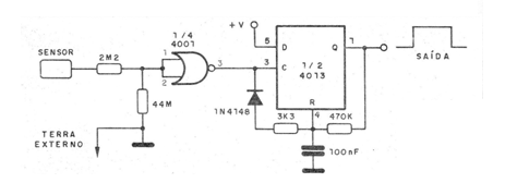
As monostable we have a proximity switch that can be used as a shield, since the capacitance of the body, estimated at around 200 pF, allows the passage of a signal capable of triggering a CMOS like the 4013. The 4001 (or 4011), used as an inverter, it acts as a trigger to provide a 60 Hz rectangular signal for the 4013. The rectangular signal comes from the network noise captured by the body that approaches the sensor.




