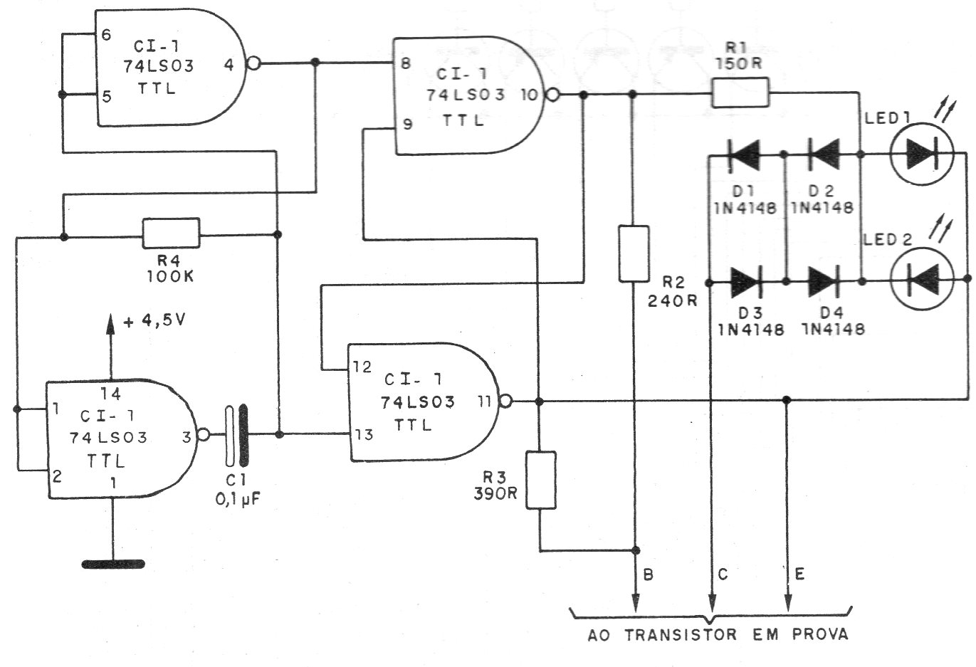
This is a project from a 1987 publication. The circuit tests transistors without removing them from the place where they work. Only the circuit supply must be switched off. The circuit tests NPN and PNP transistors and their power must be supplied with 3 or 4 common batteries.




