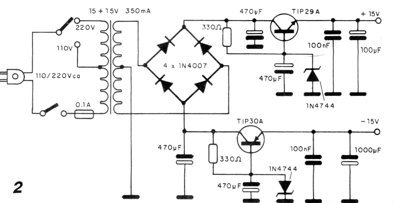
Originally this 1992 circuit was created to power the CIR91712 project, but it can be used on the bench to power circuits that require up to 350 mA or 500 mA if a transformer is used for this current. Transistors must have heatsinks and zener diodes can have voltages between 6 and 15 V.




