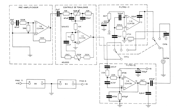
Readers who like sound or sound effects cannot fail to examine this interesting circuit. What we have is a linear audio preamplifier, combined with a Baxandall tone control and two special filters. The tone control acts on the bass and treble, but what is most striking is the presence of the two filters. The first eliminates the "rumbIe", which is the low-frequency noise due to the rotation of the turntable motor, whose frequency is around 100 Hz. The other acts on the hiss due to problems with scratched, old or still needles, which is around 6 kHz. The circuit of a channel is shown in the figure. Evidently, for a stereo version, two equal units must be assembled. The author assembled the device based on a single integrated 4136, which is formed by 4 identical, independent operational amplifiers Nothing prevents separate equivalents or even a single integrated from being used Integrated such as the 741C, CA3140 or LM324 can be used. Only in the case of the 741, the source voltage must be increased to 15 V.




