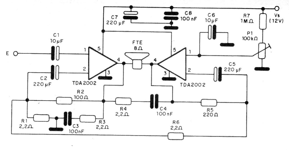
This amplifier provides up to 15 W of output when powered by a simple 12 V source. The integrated circuit must have an excellent heat sink.
This is one of the many versions of amplifiers with LM386. This was achieved in an old publication (1981). The...
This circuit uses unijunction transistors and drives a small speaker through an output...
This circuit can also be used as a shield if the excitation is made with 5 V and the output stage...