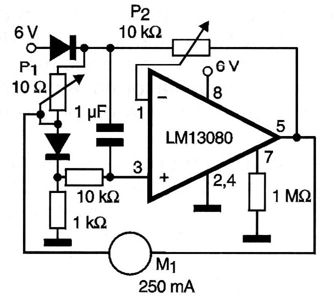
The supplied circuit allows direct control of a small DC motor up to 250 mA. The basic component used is an operational power amplifier that, in this case, is powered by a simple 6 V source. The control is done in both potentiometers, with P1 determining the speed reference. The diode is a general-purpose type, and the other components are not critical.




