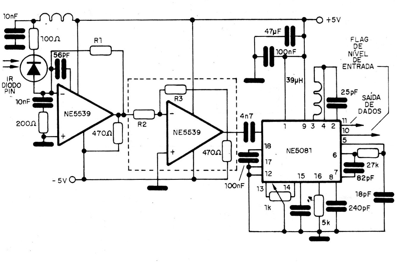
This is the receiver circuit for the CB15958E transmitter. Depending on the attenuation obtained in the optical fiber, the circuit gain must be adjusted according to the values of R2 and R3, as well as R1. When assembling, it is recommended that the terminals of the tuning circuit components be kept as short as possible. Signal decoupling shocks are 10 uH in both circuits.




