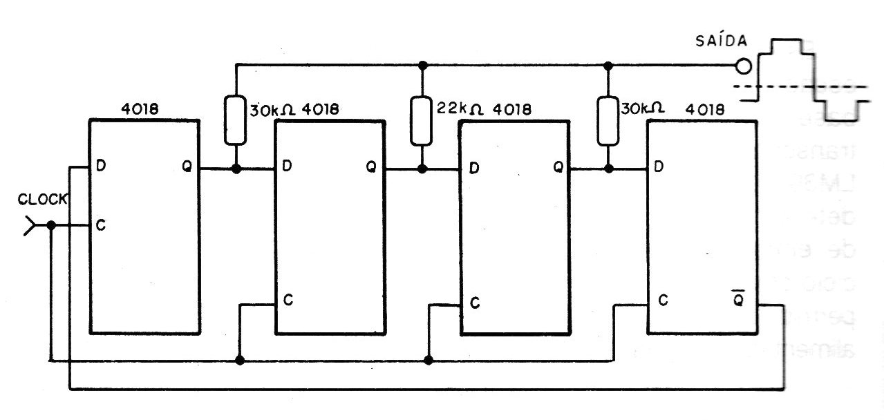
This circuit synthesizes a sinusoidal signal from logic pulses that can be obtained from an oscillator of the same family (CMOS) or even TTL. 4 flip-flops of 2 integrated circuits are used 4018 waveform of the output (shown in the diagram itself) needs filtering to obtain the desired sinusoidal signal. The filtering can be done with an RC network whose component values depend on the frequency of operation.




