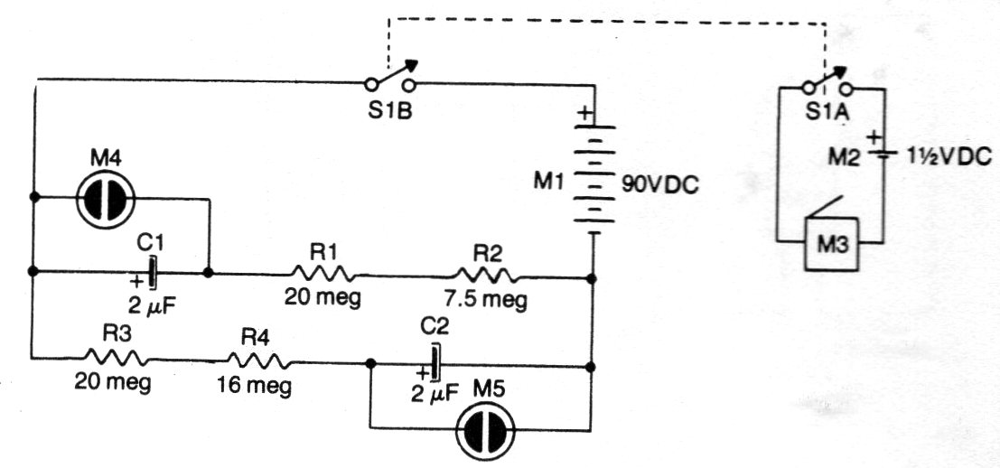
This version of a call-fish is from 1981 using, for this reason, a 90 V battery that is no longer easily found today. You can adapt the circuit to use two or four batteries to power a 90 V inverter, and with that the project becomes feasible today. The circuit emits flashes of light that attract fish at night. The buzzer is optional.




