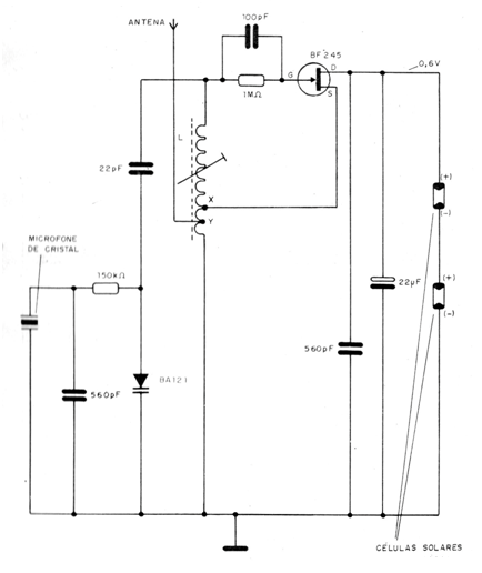
This small FM transmitter can be powered by solar cells in the range of 1.2 V to 6 V. Its range depends on the propagation conditions of the place reaching a few tens of meters. The coil is formed by 1 + 1 + 4 coils of wire 28 or 26 in a 0.5 cm shape with adjustable core. The antenna can be 15 to 30 cm long.




