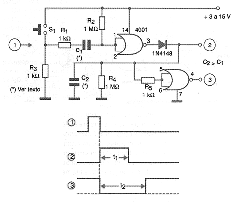
In the figure we have a monostable that is activated with switch S1 and pressed for an instant. The duration of the pulses generated depends on the capacitors C1 and C2. We then have the waveforms generated in the same figure, observing that there are two timing intervals obtained which are determined by the capacitors. The diode can be any general-purpose and the supply voltage can be between 3 and 15 V. The other gates of the same CI can be used for other purposes since they are independent.




