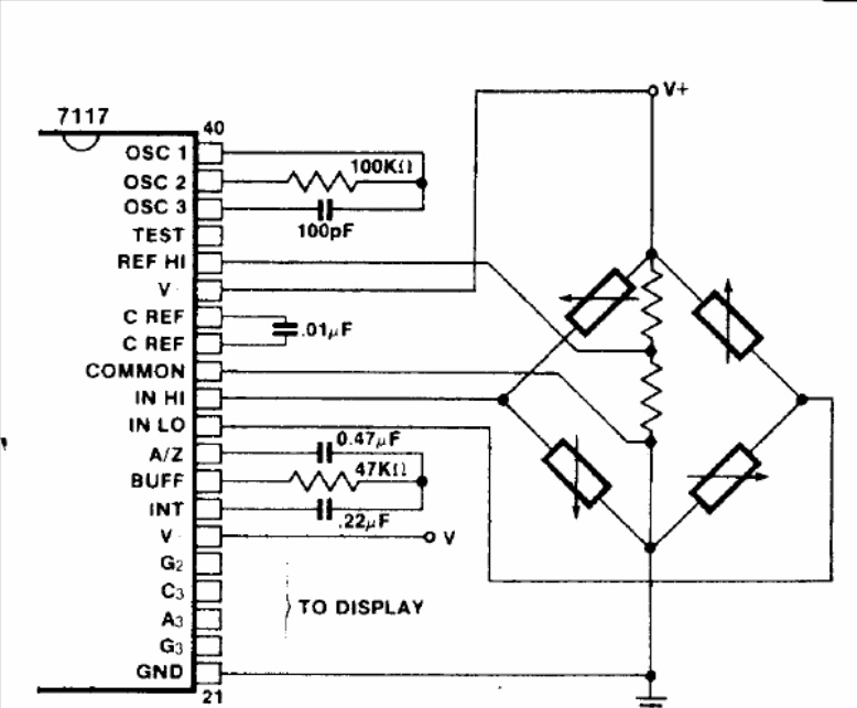
This circuit is from the 1983 Intersil Databook. The circuit has an A / D converter for display of 4 and a half digits being powered by a voltage of 9 V.
In the figure we have the way to connect two high power operational amplifiers LM12 to double the...
This circuit uses the Linear Technology LT6505 and was found in a 2005 manual. The circuit is for 24 V...
a This circuit was obtained from a 1978 Practical Wireless. It causes a low-power 1.5V lamp to...