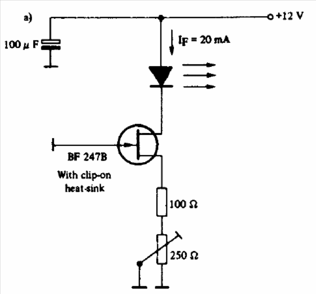
This circuit is from a 1978 Texas Instruments optoelectronics manual. The trimpot adjusts the LED current. Other currents can be adjusted if they are within the capacity of the FET.
In the figure we have the way to connect two high power operational amplifiers LM12 to double the...
This circuit uses the Linear Technology LT6505 and was found in a 2005 manual. The circuit is for 24 V...
a This circuit was obtained from a 1978 Practical Wireless. It causes a low-power 1.5V lamp to...