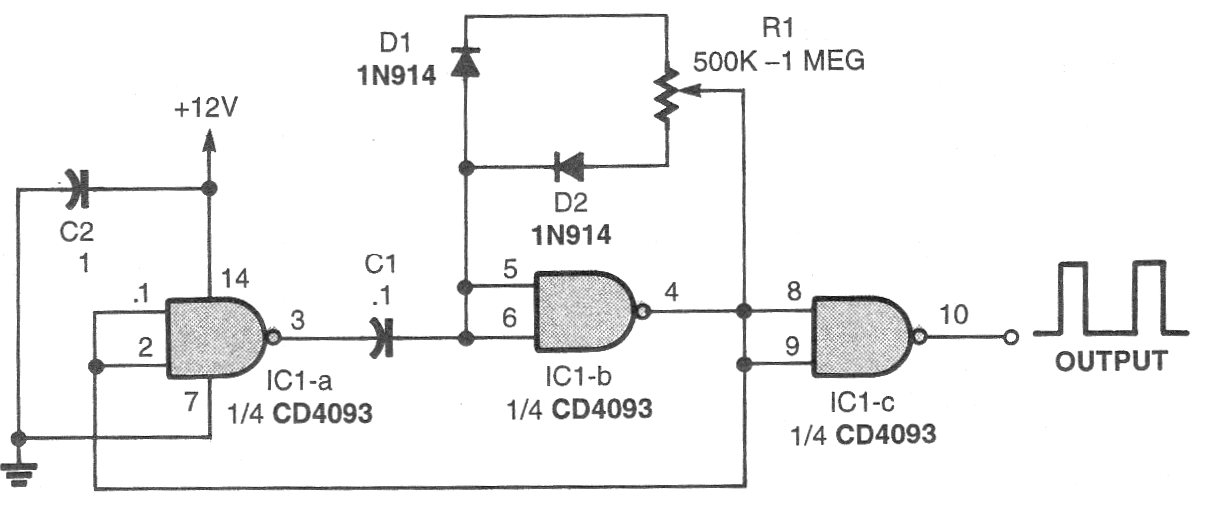
We found this circuit in an American publication from the 90s. It generates pulses that can be modulated in amplitude. The supply can be done by voltages from 5 to 12 V and the frequency depends on C1 and C2.
The circuit shown in figure 1 consists of an Inverter Module for CCFL Lamp that can be supplied with...
This circuit is the power supply for the amplifier in the previous circuit. The transformer is 5 A...
This circuit serves as a reference for the components used and the time. The circuit is from 1967...