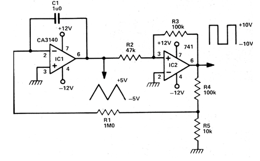
With two operational amplifiers this circuit generates triangular and rectangular signals at a frequency determined by the capacitor. The power supply must be symmetrical.

With two operational amplifiers this circuit generates triangular and rectangular signals at a frequency determined by the capacitor. The power supply must be symmetrical.
