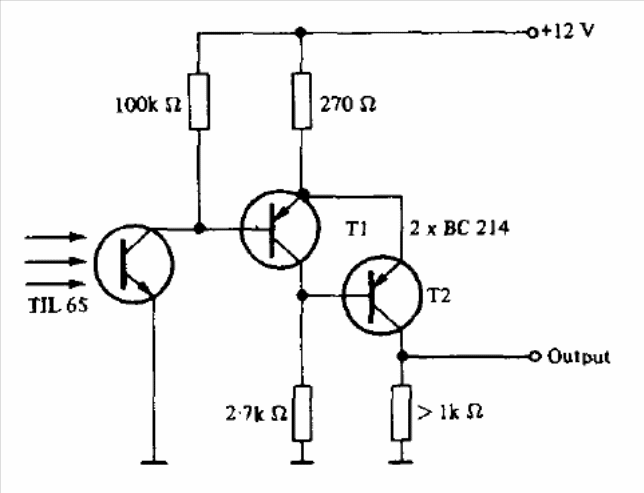
This configuration was found in the Texas Instruments optoelectronics manual. PNP transistors support equivalents and the phot transistor does.
The circuit shown is suggested by National Semiconductor's Linear Applications Handbook. The base...
This circuit uses a pickup coil to take the signal from a telephone line without contacts. The circuit...
In this circuit, the transistors are NPN for general use and the phototransistors can be replaced by...