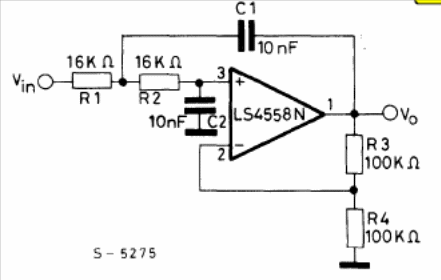
We found this circuit in the 1982 SGS Linear Integrated Circuits manual. The integrated circuit used is a double 741 and the power supply must be symmetrical. The voltage gain is 6 times, and the capacitors can be changed for operation at other frequencies.




