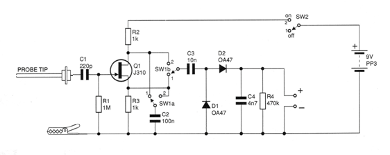
With this probe it is possible to analyze RF signals on the oscilloscope or multimeter. The FET can be BF245 and the diode should preferably be germanium. The circuit operates with frequencies up to close to 100 MHz.

With this probe it is possible to analyze RF signals on the oscilloscope or multimeter. The FET can be BF245 and the diode should preferably be germanium. The circuit operates with frequencies up to close to 100 MHz.
