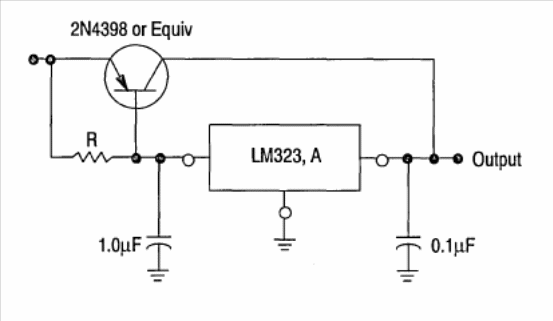
With a boost transistor this circuit supplies currents up to 15 A. Equivalent transistors can be used. The circuit is from Motorola's 1993 Linear Interface ICs.

With a boost transistor this circuit supplies currents up to 15 A. Equivalent transistors can be used. The circuit is from Motorola's 1993 Linear Interface ICs.
