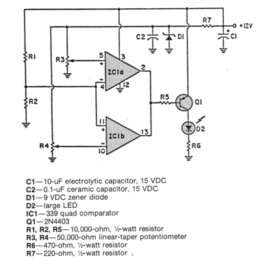
The purpose of this circuit is to monitor the operation of an alternator in cars with a 12 V battery. The circuit keeps an LED on when operation is normal. The circuit is from an American publication from the 80s.

The purpose of this circuit is to monitor the operation of an alternator in cars with a 12 V battery. The circuit keeps an LED on when operation is normal. The circuit is from an American publication from the 80s.
