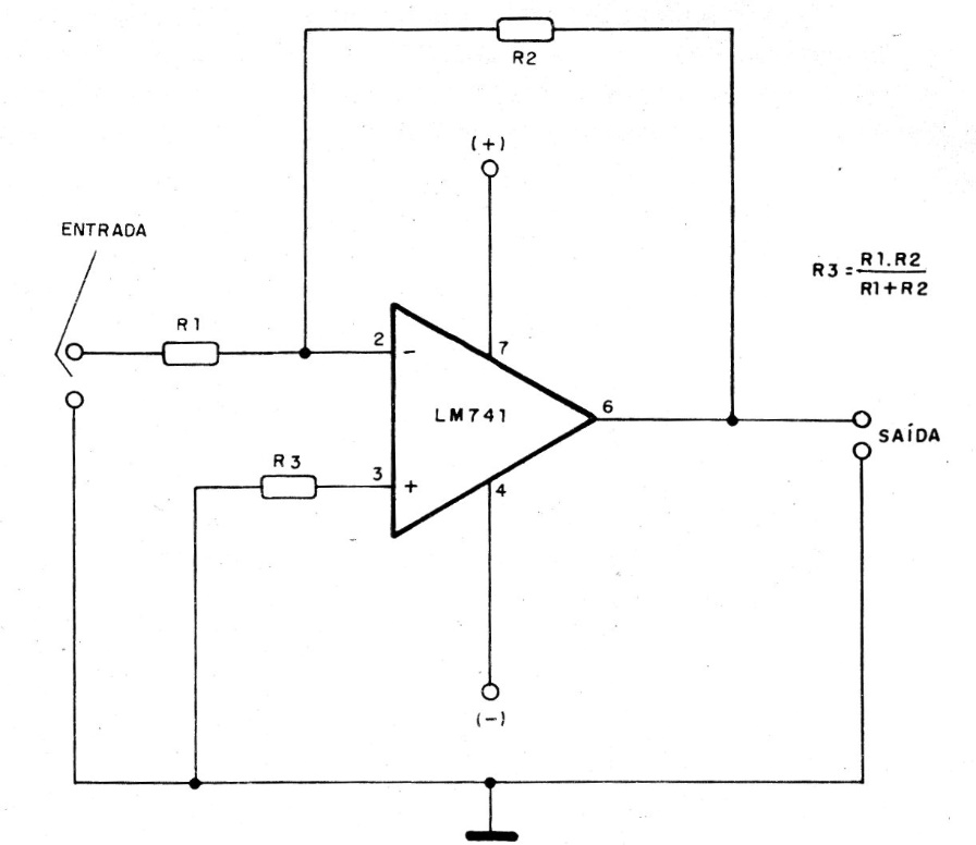
The gain of this amplifier depends on the component values as well as the operating range and the input impedance. In the figure we have the diagram and the table with the values and characteristics. The values apply to operators with characteristics close to 741.




