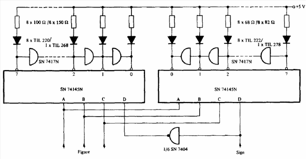
This moving bar circuit indicates digital values on a moving bar with zero in the center. The circuit is from the Texas Instruments optoelectronics manual. The supply must be made with 5 V.
This moving bar circuit indicates digital values on a moving bar with zero in the center. The circuit is from the Texas Instruments optoelectronics manual. The supply must be made with 5 V.