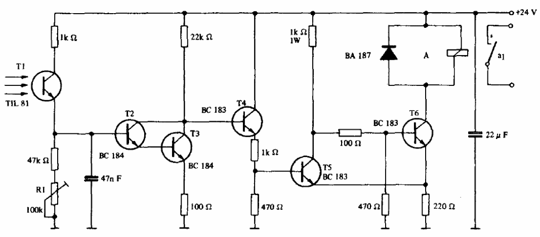
This sensitive circuit was found in a Texas Instruments optoelectronics manual. The transistors can be BC548 and the power supply is according to the relay used. The diode can be 1N4148. R1 is the sensitivity setting.
This sensitive circuit was found in a Texas Instruments optoelectronics manual. The transistors can be BC548 and the power supply is according to the relay used. The diode can be 1N4148. R1 is the sensitivity setting.