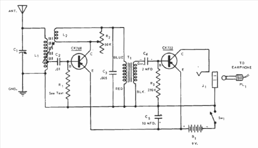
This medium wave radio with germanium transistors is from a 1957 Raytheon publication. Modern equivalent transistors can be tried, and the headset must be high impedance. L1 has 30 + 70 turns of wire 28 and L2 has 10 turns of the same wire on the same rod. The antenna must be long.




