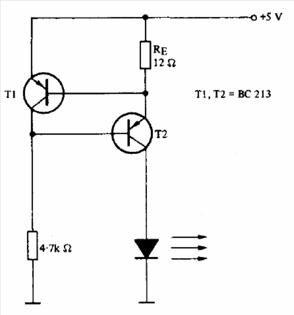
The circuit shown is from a 1978 Texas Instruments optoelectronics manual. The circuit can use equivalent transistors and the current in the LED, of the order of 20 mA, can be changed by changing the RE.

The circuit shown is from a 1978 Texas Instruments optoelectronics manual. The circuit can use equivalent transistors and the current in the LED, of the order of 20 mA, can be changed by changing the RE.
