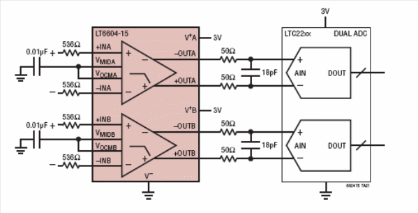
The circuit we present is suggested by Linear Technologies (www.linear.com) and makes use of an LT6604-15 integrated circuit, where ”15” represents the filter frequency. The integrated circuit used consists of two matched differential amplifiers, each containing a 4th order low-pass filter with an approximate Chebyshev response. The circuit shown in figure 1 consists of a typical application with a signal-to-noise ratio of 76 dB. The circuit is specified for operation with 3 V, 5 V and +/- 5 V. In the family of these components, we have integrated filters of 2.5 MHz 20 MHz. The LT6604 is supplied in a QFN enclosure.




