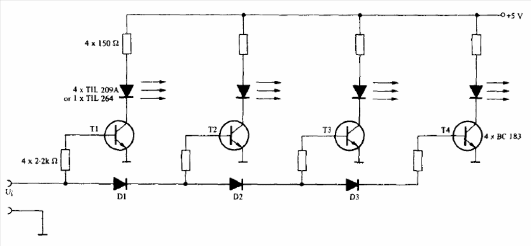
This voltmeter indicates voltages from 0.7 to 2.8 V at 4 levels determined by the diodes. The scale can be expanded with more LEDs. The circuit is from the Texas Instruments optoelectronics manual and the transistors can be type BC548 and diodes 1N4002.




