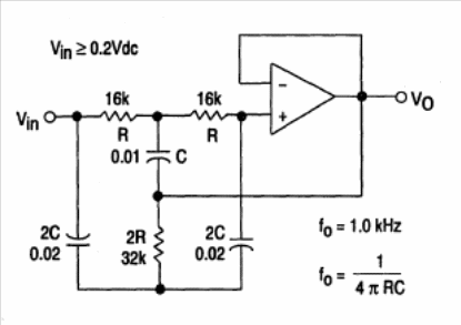
This circuit can also use other series operational amplifiers such as MC33172, MC33174, MC35171, BMC35172 and MC36174. The circuit is from Motorola's 1993 Linear Interface ICs. The formulas make it possible to calculate components according to frequency.




