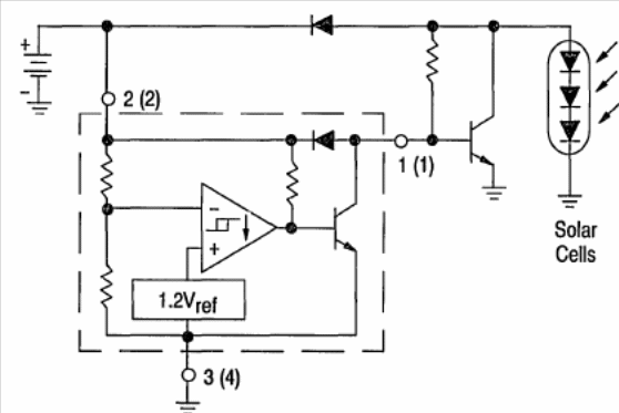
The MC33064 can also be used on this circuit of Motorola's 1993 Linear Interface ICs. The circuit used is not common today. The charging current is small, and the transistor can be a BD135.

The MC33064 can also be used on this circuit of Motorola's 1993 Linear Interface ICs. The circuit used is not common today. The charging current is small, and the transistor can be a BD135.
