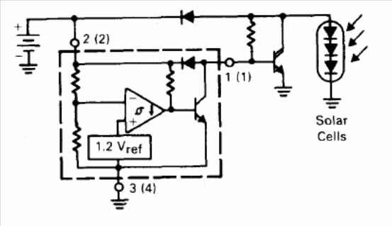
The integrated circuit used in this charger is not very common today. The circuit is from Motorola's 1990 Linear Databook.
Molex discrete wiring and cabling solutions with applications in consumer electronics, commercial...
This circuit consists in a full-wave bridge rectifier or Graetz Bridge as its is also called. The...
This circuit is used to convert audio signals from na amplifier into infrared modulated signals....