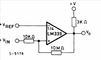
This is the basic configuration of many LM339 manuals, as a comparator with hysteresis. The font does not have to be symmetrical. The circuit is from the 1982 SGS Linear Integrated Circuits Manual.

This is the basic configuration of many LM339 manuals, as a comparator with hysteresis. The font does not have to be symmetrical. The circuit is from the 1982 SGS Linear Integrated Circuits Manual.
