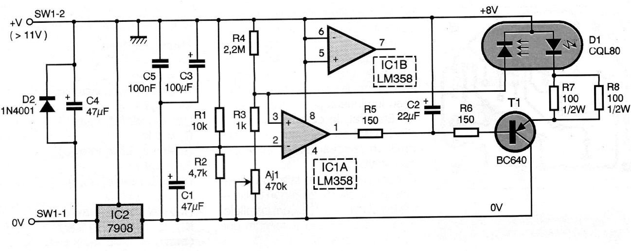
This source allows the supply of laser diodes with voltages above 11 V. The circuit is from French documentation and equivalent components can be used.
Molex discrete wiring and cabling solutions with applications in consumer electronics, commercial...
This circuit consists in a full-wave bridge rectifier or Graetz Bridge as its is also called. The...
This circuit is used to convert audio signals from na amplifier into infrared modulated signals....