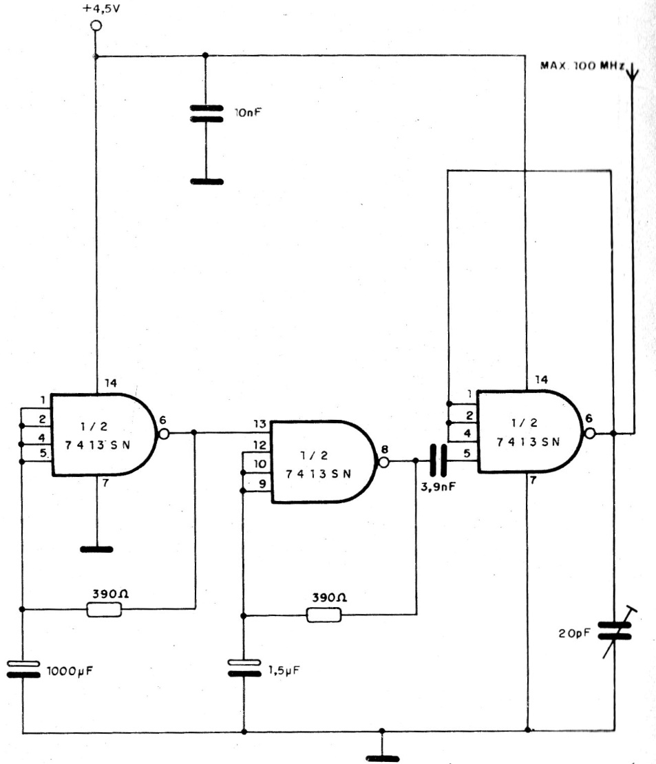
This circuit transmits beeps to receivers tuned in a wide range of frequencies placed nearby. The tuning is precarious, since the signal is rich in harmonics and with that the signal power spreads over a wide spectrum that reaches the FM band.
This circuit transmits beeps to receivers tuned in a wide range of frequencies placed nearby. The tuning is precarious, since the signal is rich in harmonics and with that the signal power spreads over a wide spectrum that reaches the FM band.