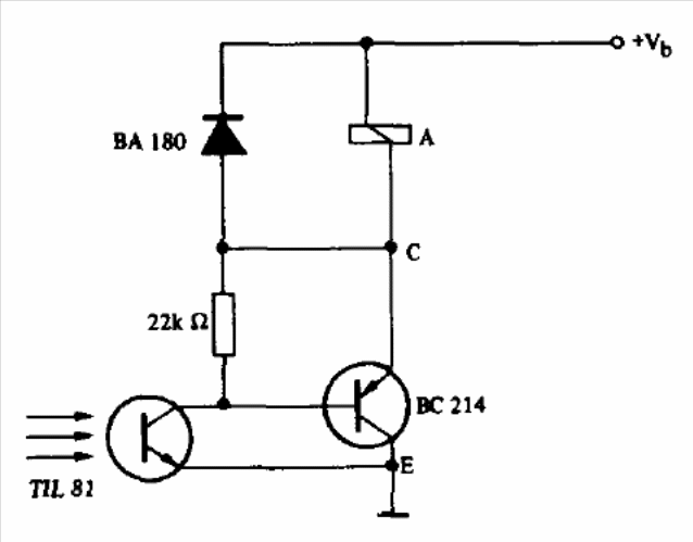
This circuit is from a 1978 optoelectronics manual from Texas Instruments. The transistor can be a more modern equivalent, just like the photodetector. The relay current is a maximum of 20 mA and the supply depends on the coil of this component.

This circuit is from a 1978 optoelectronics manual from Texas Instruments. The transistor can be a more modern equivalent, just like the photodetector. The relay current is a maximum of 20 mA and the supply depends on the coil of this component.
