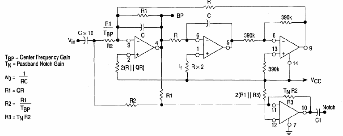
Other amplifiers of the series like the MC3301, MC3401 and LM2900 can be used in this circuit. We found this setting on Motorola's Linear Interface ICs. The power supply does not need to be symmetrical and the formulas next to the diagram make it possible to calculate the components according to the desired performance.




