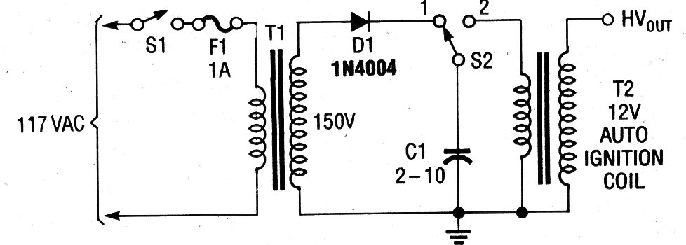
This circuit generates high voltage pulses, which can reach 30 000 V with the discharge of a capacitor through an ignition coil. In position 1, the capacitor from 2 to 10 uF x 250 V or more is charged. When the switch moves to position 2, the capacitor is discharged, producing a high voltage spark.




