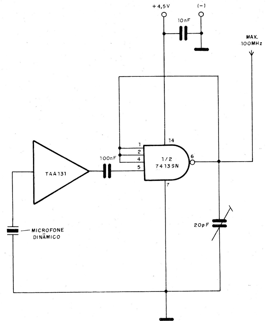
The TAA131 used in this circuit is not very easy to find today, but an equivalent low power audio amplifier can be used instead. The transmitter does not use coils, has a short range and its very precarious tuning range is very wide with the emission of many harmonics. This is an experimental circuit.




