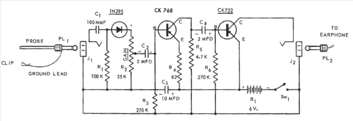
We found this circuit in a 1957 Raytheon transistor publication. The circuit can be assembled with more modern transistors with minor changes. The handset must be high impedance magnetic.
This circuit was obtained from an English magazine from 1977. The magazine no longer exists, but...
Using integrated circuits from the time, we found this audio compressor in an English publication from...
This circuit was found in a Poptronics of the 90's. The FET is double-gate, and the frequency...